润石一级代理商英锐恩科技推出精密运算放大器——RS 8531,原装正品,提供免费技术支持。这种微型的、高精度的运算放大器抵消了高输入阻抗和轨对轨输入和轨对轨输出摆动.高增益带宽积2.5MHz,旋转速率1.65V/μs。可使用单或双电源,低至+2.5V(±1.25V)和+5.5V(±2.75V)。
特征
低偏置电压:1 UV
·输入偏移:0.005μV/°C
高增益带宽产品:2.5MHz
·铁路到铁路的投入和产出
·高增益,CMRR,PSRR:130 dB
高转速:1.65V/μs
·低噪声:0.9uVp-p(0.01~10 Hz)
低功耗:340μA/运算放大器
过载恢复时间:1U
*低供电电压:+2.5 V至+5.5 V
不需要外部电容器
扩展温度:-40℃至+125℃
应用
·温度传感器
医疗/工业仪器
·压力传感器
·电池-动力仪表
·有源滤波
·重量秤传感器
·应变量规放大器
·功率转换器/逆变器
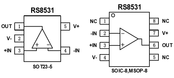
精密运算放大器RS 8531封装脚位功能定义图

一般描述
RS 8531,RS 8532,RS 8534,RS 8533系列CMOS运算放大器采用自动零技术同时提供非常低的偏置电压(5μV max)和近零漂移随时间和温度的变化。这类放大器具有超低噪音、偏置和功率。
RS 8531/RS 8532/RS 8534/RS 8533(关闭双版本)适用于扩展的工业和汽车温度范围(-40°C至125°C)。RS 8531单放大器可用于5引线SOT 23、8引线MSOP 8和8导联SOIC封装,RS 8532双放大器可用于8导联SOIC和8引线TSSOP窄表面贴装封装,RS 8533(带关机的双版本)采用微型MSOP-10。RS 8534四极可在14引线SOIC和14引线窄TSSOP封装中使用。
详细资料,咨询英锐恩科技官网客服,或者下载RS 8531运算放大器数据手册查看。
现货原装,选型指导,免费样品申请,免费技术支持。